
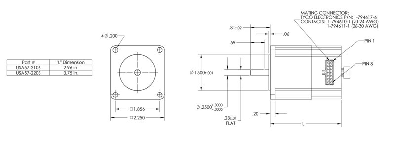
The Accuriss? 57, as the name implies, is 57mm square. The product is available in three stack lengths, with holding torques ranging from 75 to 260 oz. in. The Accuriss? 57 mounting is the standard NEMA 23 mount. The Accuriss? product line can be device addressed with up to 16 devices operating off of a single RS485 interface. The part number calls out the factory preset device address, which is easily changed in the field.
The device drivers for your USB, the Accuriss? programming environment, the Accuriss? 57 User's Manual, along with all CAD files are readily available at no charge on the website. To provide immediate implementation of the Accuriss? 57, USAutomation? offers a start-up kit which contains, a USB to RS485 converter, a breakout board including I/O devices, a connector for the Accuriss?, and a CD with everything you need to get started.
- NEMA size 23 (57mm square) step motor
- Drive, controller and I/O built in
- Three stack lengths
- Holding torque from 76 to 262 oz in
- Robust RS485 communication
- Short lead time
- Up to 16 units daisy chained
- Economically priced
- Simple yet highly functional command language
- S curve acceleration profiles included
- No charge Accuriss? programming environment for PC's
- Starter Kits available
Accuriss? 57 Drawing

Accuriss? 57 Specifications

Talk to one of our automation experts today at (855) 737-4716, or fill out our online form to learn more.
The Accuriss? 57 is 57mm square and is available in three stack lengths, with holding torques ranging from 75 to 260 oz. in.